DTCA210-215-M42-AL
最高支持2‘’靶面相机
申请报价
产品参数
产品图纸
相关应用
产品参数
data
基本参数
支持CCD尺寸(Φmm)
2"
物方视场FOV(Φmm)
215
放大倍率β(x)
0.1536
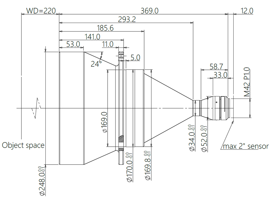
物方工作距WD(mm)
220±3
像方F/#
8.0
物方景深DOF(mm)
±13.6@F10
像方畸变(% max)
<0.1
物方远心度(° max)
<0.1
物像距I/O(mm)
601±3
镜头总长(mm)
369
镜头接口
M42
净重(KG)
8.7
像方MTF30(lp/mm)
>100
可变光栏
是否同轴光
视野范围(mmxmm)
2" DALSA 12M (24.58x18.43)
160.0x120.0
2" PYTHON 25K (23.04x23.04)
150.0x150.0
产品图纸
drawing

结构图


相关应用
application