WWK20-80-112
高分辨率镜头
下载
download
申请报价
产品参数
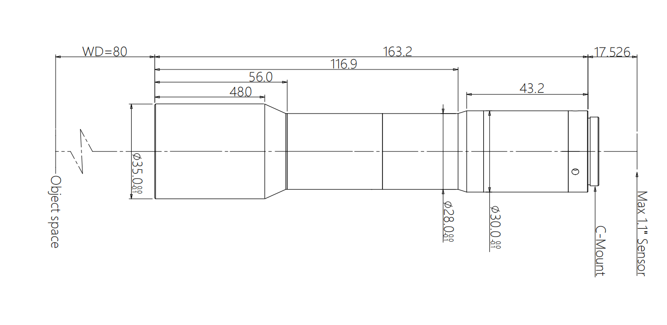
产品图纸
相关应用
产品参数
data
基本参数
放大倍率 β(x)
2
物方工作距 WD(mm)
80±2
支持 CCD 尺寸 (Φmm)
18.0(1.1")
像方 F/#
8.5
物方远心度 (° max)
<0.1
像方畸变 (%)
<0.1
物方景深DoF (mm)
±0.14@F13.5
相机接口
C
镜头总长 (mm)
163.2
是否同轴光
像方 MTF30(lp/mm)
>60
视野范围(mm × mm)
1" IMX183(13.13x8.76)
6.6x4.4
1.1" IMX253 (14.19x10.38)
7.1x5.2
产品图纸
drawing

结构图

相关应用
application