DTCM210-36-M58-AL
最高支持2‘’靶面相机
申请报价
产品参数
产品图纸
相关应用
产品参数
data
基本参数
支持CCD尺寸(Φmm)
33(2")
物方视场FOV(Φmm)
36
放大倍率β(x)
0.917
物方工作距WD(mm)
110±2
像方F/#
15.5
物方景深DOF(mm)
±0.9@F20
像方畸变(% max)
<0.1
物方远心度(° max)
<0.1
物像距I/O(mm)
347±2
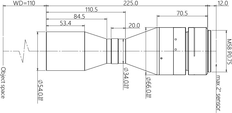
镜头总长(mm)
225.0
镜头接口
M58
净重(KG)
1.0
像方MTF30(lp/mm)
>50
视野范围(mmxmm)
2" DALSA 12M(24.58x18.43)
26.8x20.1
2" PYTHON 25K(23.04x23.04)
25.1x25.1
产品图纸
drawing

结构图




MTF曲线




相关应用
application